Warbird Information Exchange

DISCLAIMER: The views expressed on this site are the responsibility of the poster and do not reflect the views of the management.
It is currently Tue Mar 03, 2026 3:00 am

All times are UTC - 5 hours


Classic Wings Magazine WWII Naval Aviation Research Pacific Luftwaffe Resource Center
When Hollywood Ruled The Skies - Volumes 1 through 4 by Bruce Oriss


Post new topic Reply to topic  [ 4 posts ] 
Author Message
 Post subject: Texan T-6G fuel tanks
PostPosted: Mon Sep 22, 2025 6:32 pm 
Offline

Joined: Wed Aug 13, 2014 5:46 pm
Posts: 524
Location: Texas
Did the T-6G model have any sort of bladder type fuel tanks? There was a T-6G crash last Saturday about 70 miles southeast of Houston and unfortunately two people died but there was no fire. Thanks.


Top
 Profile  
 
PostPosted: Mon Sep 22, 2025 10:36 pm 
Offline
User avatar

Joined: Mon Jul 17, 2006 6:59 pm
Posts: 848
Location: Redmond,Oregon
Lucky,
I checked the AT-6G Maintenance Manual. It shows aluminum fuel tanks except for small rubber aux wing tanks that are outboard of the main tanks.

I would post some pages from the manual, but I made the mistake of updating my iPad to iPad OS 26 and the method that I had been using to post pictures from Flickr to WIX no longer works. Once I figure out how to post the pages from the manual using Flickr, I’ll do so.

For anyone that has figured out that procedure with iPad OS 26, I’d like to hear it.

Larry Kraus


Top
 Profile  
 
PostPosted: Mon Sep 22, 2025 11:25 pm 
Offline
2000+ Post Club
2000+ Post Club

Joined: Wed May 05, 2004 3:45 pm
Posts: 2674
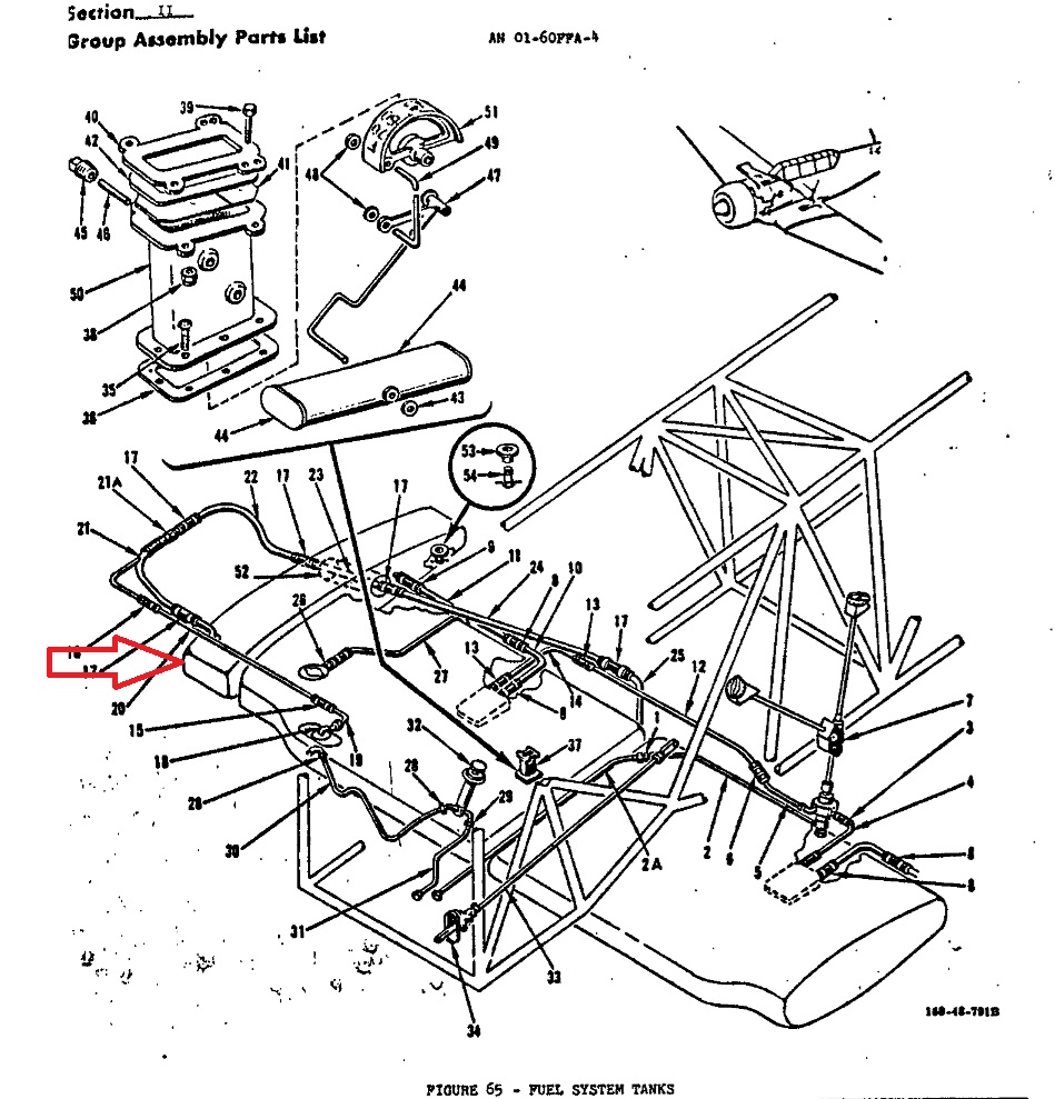
The T-6G had small bladder tanks outboard of the main aluminum center section fuel tanks. All crashes do not result in a fire.


Attachments:
fuel.jpg
fuel.jpg [ 285.29 KiB | Viewed 6619 times ]

_________________
45-47=-2
Top
 Profile  
 
PostPosted: Tue Sep 23, 2025 10:59 am 
Offline
User avatar

Joined: Mon Jul 17, 2006 6:59 pm
Posts: 848
Location: Redmond,Oregon
ImageIMG_6522 by tanker622001, on Flickr

ImageIMG_6523 by tanker622001, on Flickr

ImageIMG_6521 by tanker622001, on Flickr

ImageIMG_6520 by tanker622001, on Flickr


Top
 Profile  
 
Display posts from previous:  Sort by  
Post new topic Reply to topic  [ 4 posts ] 

All times are UTC - 5 hours


Who is online

Users browsing this forum: Google [Bot], Google Adsense [Bot] and 313 guests


You cannot post new topics in this forum
You cannot reply to topics in this forum
You cannot edit your posts in this forum
You cannot delete your posts in this forum
You cannot post attachments in this forum

Search for:
Jump to:  
Powered by phpBB® Forum Software © phpBB Group