Warbird Information Exchange

DISCLAIMER: The views expressed on this site are the responsibility of the poster and do not reflect the views of the management.
It is currently Thu Mar 26, 2026 4:04 pm

All times are UTC - 5 hours


Classic Wings Magazine WWII Naval Aviation Research Pacific Luftwaffe Resource Center
When Hollywood Ruled The Skies - Volumes 1 through 4 by Bruce Oriss


Post new topic Reply to topic  [ 12 posts ] 
Author Message
PostPosted: Tue Jun 02, 2009 1:32 pm 
Offline
User avatar

Joined: Wed Apr 15, 2009 4:56 pm
Posts: 667
Location: Woodstock, Ontario, Canada
Hi folks,

I paid the restoration guys a visit in Tillsonburg today and they're urgently looking for a couple parts for our Yale engine/prop to allow it to fly.

More on our Yale here.

The R-975 was rebuilt in a shop in Florida which has since closed down (can't remember the name), and the parts were never put back on the engine when it was reassembled there.

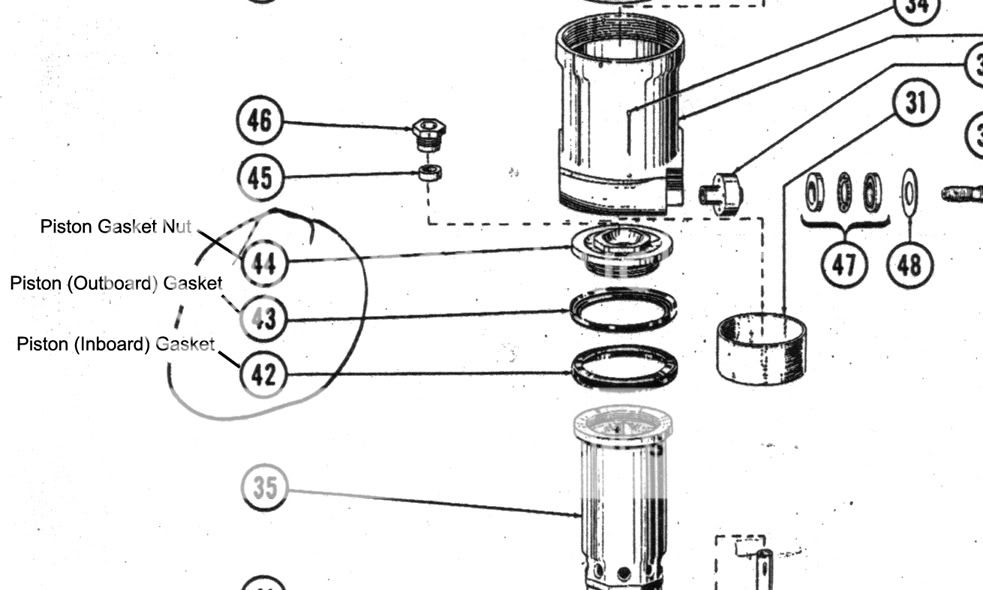
The parts in question are the Piston Gasket Nut, Piston (Outboard) Gasket, and Piston (Inboard) Gasket that go on the end of the crankshaft inside the prop.

Here's a diagram with the needed parts circled:
Image

And a close up:
Image

We have a few people calling contacts all over Canada and the US looking for these parts. Hopefully someone here knows the location of some.

These parts are basically the only thing standing in the way of Yale 3399 returning to the skies.

Please contact me if you have access to these parts, or know someone who does, and I will let the restoration boys know.

Thanks in advance.

Shane


Last edited by rcaf_100 on Tue Jul 28, 2009 3:21 pm, edited 5 times in total.

Top
 Profile  
 
 Post subject:
PostPosted: Tue Jun 02, 2009 2:09 pm 
Offline

Joined: Sat Nov 06, 2004 8:11 pm
Posts: 41
Location: west coast of US
Give this company a call. http://www.rswproducts.com/


Top
 Profile  
 
 Post subject:
PostPosted: Tue Jun 02, 2009 2:28 pm 
Offline
User avatar

Joined: Wed Apr 15, 2009 4:56 pm
Posts: 667
Location: Woodstock, Ontario, Canada
Thanks!


Top
 Profile  
 
 Post subject: Missing parts
PostPosted: Wed Jun 03, 2009 12:35 am 
Offline
User avatar

Joined: Thu Oct 27, 2005 1:01 pm
Posts: 895
Location: St. Louis, Missouri
Shane,
You should PM WIXer Eric Downing. he has a Yale here in St. Louis and I think he just had his prop overhauled. More importantly, are you saying that the prop shop or engine shop "forgot" to put those parts back into the 2D30 hub? Is it the same shop that did the engine overhaul? If so, I'd be a bit nervous about that engine. :shock:

_________________
Albert Stix Jr.
"Work is the curse of the drinking class"


Top
 Profile  
 
 Post subject:
PostPosted: Wed Jun 03, 2009 10:45 am 
Offline
User avatar

Joined: Sat Jul 21, 2007 10:34 pm
Posts: 261
Location: Midwest
What dash number 975?
You are showing a crank shaft breathing 2D30. If it truly is a crank breather with the long oil pipe (item #36) as shown in your illustration......good luck. Wright is the ONLY manufacturer of #30 0r #20 spline engines to do this. That takes a special hub with breather holes on aft edge and the piston needs a hole thru it and a seal/packing nut (items #45 & 46). Pretty special. I wouldn't climb on the OH's back, possibly the engine OH was upgrading the crank to eliminate the long oil pipe and crank breathing and thus those special hub parts omitted.
look at your 975 and see if that long breather pipe is there...it will be beyond the crank end by a good 2+". Or are you looking for the parts for a crankcase breathing 2D30 as shown on page 5, Figure 3 of your 110D manual?


Top
 Profile  
 
 Post subject:
PostPosted: Wed Jun 03, 2009 11:16 am 
Offline
User avatar

Joined: Wed Apr 15, 2009 4:56 pm
Posts: 667
Location: Woodstock, Ontario, Canada
Hi Wheels up,
It's a 975-E3.
I'm no mechanic, but I passed your question along to our C Tech O.

Maybe you can answer the question:
Image
Image

And AFAIK, the prop was overhauled by Hope Aero in Mississauga.
that's what the sticker on it says anyway...

Thanks again for the responses!

Shane

P.S. astixjr, thanks for the info. I let the people involved know, and if they still can't locate the parts, I'll contact Eric.


Top
 Profile  
 
 Post subject:
PostPosted: Wed Jun 03, 2009 1:17 pm 
Offline
User avatar

Joined: Sat Jul 21, 2007 10:34 pm
Posts: 261
Location: Midwest
Hmmmm....
No nose case governor. Do you have a rear mount governor on the three way drive? Or are you running a two speed prop? Those counter weights look like the light weight aluminum ones for the two speed. If it is a two speed, do you have the auxilliary oil feed line entering the nose case between #'s8 and 9?


Top
 Profile  
 
 Post subject: Prop Parts
PostPosted: Wed Jun 03, 2009 7:10 pm 
Offline

Joined: Fri Dec 10, 2004 3:15 pm
Posts: 50
Shane,
If you can give me the specific Hamilton Standard part numbers of the (3) items that you need, I'm sure that I can help. I have a very large inventory of vintage Ham/Std parts.
Jay Wisler


Top
 Profile  
 
 Post subject:
PostPosted: Thu Jun 04, 2009 4:00 pm 
Offline
User avatar

Joined: Wed Apr 15, 2009 4:56 pm
Posts: 667
Location: Woodstock, Ontario, Canada
Hi guys,

Thanks once again for the responses!

Wheels up, like I said, I'm no mechanic, and that knowledge was even over our C Tech O's head (he's used to working on Wasps and Gypsy Majors). He has passed it on to the AME for him to figure out.

I probably should have said at the beginning, but I was just handed a photocopy with the parts needed circled. I have no experience working on aircraft engines.

As the archives/museum guy at CHAA, I have a copy of the Ham-Std Service Manual on PDF so I can check the other pages/figures you were referring to, but I really don't know the subject that well.

And Jay, I passed your question on as well. I haven't heard anything back yet from the AME whether he has the parts or not, but I am going down to the airport on the weekend. If he's there than, I will know, but if he isn't, I will find out for sure on Tuesday.

Shane


Top
 Profile  
 
 Post subject:
PostPosted: Tue Jun 23, 2009 2:27 pm 
Offline
User avatar

Joined: Wed Apr 15, 2009 4:56 pm
Posts: 667
Location: Woodstock, Ontario, Canada
Hello again folks,

Just got back from the hangar with another task. AFAIK, we have sourced the seals we were looking for, but after Rick (our AME) had a look at the crankshaft of Yale 3372 at Dunnville, there's some more parts we are missing.

Hopefully someone here has either a Wright R-975E Whirlwind Parts Manual or Overhaul Manual so we can find out the specific parts numbers, or better yet, if someone even has the specific parts or know where some are!

All we have is the repair manual, which only refers to the parts by name, not number.

These parts should have been put back in when the engine was reassembled by Dumont's in Florida, but with the delays with Transport Canada, (and the fact we're used to working on P&W Wasps) the ommision of the parts wasn't noticed until now.

The parts we have in the crankshaft I have highlighted in blue. The parts we are looking for are in red. AFAIK we have the oil tube spacer (?) in yellow, but we aren't 100% sure if it's all the parts we need.

Image

This is the page out of the repair manual with the paragraphs pertaining to the parts we need highlighted.
Image

Thanks in advance,

Shane


Top
 Profile  
 
 Post subject:
PostPosted: Tue Jul 28, 2009 3:37 pm 
Offline
User avatar

Joined: Wed Apr 15, 2009 4:56 pm
Posts: 667
Location: Woodstock, Ontario, Canada
Hello again,

Just a quick update here folks. Upon talking to someone who helped out with the engine overhaul in Florida, we found out that we weren't missing any engine parts at all :lol:
Goes to show how little we know about Wrights :D

Anyway, it turns out that when the engine was overhauled, someone from CHAA (not sure who) told the rebuilder to 'put it back to original' which meant it was left as a crank shaft breathing engine (just as Wheels up said in his first reply). However, the prop that is on it was for a solid shaft engine. :roll: I guess that would explain why it wouldn't stay in fine pitch...

So, off came the prop, and we contacted Hope Aero. They looked around and they do have the correct crank shaft breathing prop parts, and they are geting plated right now.

The prop should be back by the end of this week or early next week. 8)

After it's reinstalled, engine testing will commence, followed by taxi tests, and then flight tests! If all goes well, the C of A should be issued later this year.

I'll keep you guys posted. Thanks again for all the help.

Shane

:partyman:


Top
 Profile  
 
 Post subject:
PostPosted: Tue Jul 28, 2009 9:46 pm 
Offline
2000+ Post Club
2000+ Post Club
User avatar

Joined: Sat Nov 25, 2006 9:18 pm
Posts: 2275
Location: Vancouver, BC
Hey Shane,

That's great to hear! I can't wait to hear of her taking to the skies again.

Cheers,

David


Top
 Profile  
 
Display posts from previous:  Sort by  
Post new topic Reply to topic  [ 12 posts ] 

All times are UTC - 5 hours


Who is online

Users browsing this forum: Google [Bot] and 64 guests


You cannot post new topics in this forum
You cannot reply to topics in this forum
You cannot edit your posts in this forum
You cannot delete your posts in this forum
You cannot post attachments in this forum

Search for:
Jump to:  
Powered by phpBB® Forum Software © phpBB Group