Warbird Information Exchange

DISCLAIMER: The views expressed on this site are the responsibility of the poster and do not reflect the views of the management.
It is currently Thu Mar 19, 2026 6:59 pm

All times are UTC - 5 hours


Classic Wings Magazine WWII Naval Aviation Research Pacific Luftwaffe Resource Center
When Hollywood Ruled The Skies - Volumes 1 through 4 by Bruce Oriss


Post new topic Reply to topic  [ 7 posts ] 
Author Message
PostPosted: Sat Apr 18, 2009 7:04 pm 
Offline
User avatar

Joined: Mon Jun 20, 2005 7:35 pm
Posts: 170
Location: Selma, California
Image


Hello,
I am looking for part numbers for the Bendix tail wheel post used on the NA T-6. The P-35 used a 12.5 Tail wheel and I am thinking about using a T-6 post in my project. I would also like to find availablity/price of just the post, nut and mast if possible. Posted below is a pic of a P-35 post and tailwheel for reference.

Image


Top
 Profile  
 
 Post subject:
PostPosted: Sat Apr 18, 2009 7:14 pm 
Offline
3000+ Post Club
3000+ Post Club
User avatar

Joined: Tue Jul 17, 2007 9:11 pm
Posts: 3160
Location: MQS- Coatesville, PA
There are a few versions of T-6 tail wheels. They have different steering methods.
Rich

_________________
Rich Palmer

Remember an Injured Youth
benstear.org
#64- Stay Strong and Keep the Faith

BOOM BOOM, ROUND ROUND, PROPELLER GO

Don't Be A Dilbert!


Top
 Profile  
 
 Post subject:
PostPosted: Sat Apr 18, 2009 8:56 pm 
Offline

Joined: Sun Dec 12, 2004 7:27 pm
Posts: 264
Location: Indiantown, FL
Try.....

www.warbird-parts.com

I believe he may have what you are looking for.

If it's not listed call him!


Top
 Profile  
 
 Post subject:
PostPosted: Sat Apr 18, 2009 9:02 pm 
Offline
User avatar

Joined: Wed Dec 17, 2008 2:16 pm
Posts: 38
Location: Pennsylvania, USA
You may want to try http://www.lanceaircraftsupply.com


Top
 Profile  
 
 Post subject:
PostPosted: Sat Apr 18, 2009 11:06 pm 
Offline

Joined: Tue Nov 23, 2004 11:19 pm
Posts: 185
Where in Socal are you? I have a few of those tailwheels and would be willing to sell one. I am at Van Nuys if you care to come out one day. Who are you? I can't tell from your web name.


Top
 Profile  
 
 Post subject:
PostPosted: Sun Apr 19, 2009 1:43 am 
Offline
BANNED/ACCOUNT SUSPENDED
User avatar

Joined: Mon Aug 11, 2008 1:58 am
Posts: 1054
Location: In Your Screen
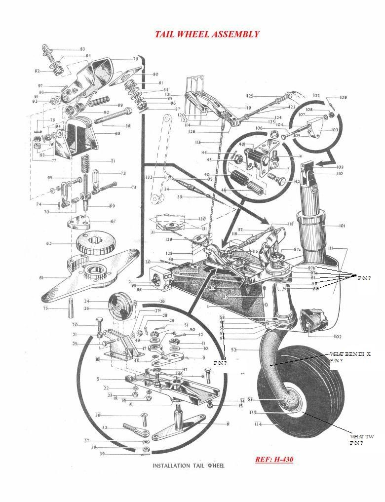
I put an entire T-6G steerable t/w together from parts as shown in your figure. I'm having difficulty following what you are describing. Everything is interconnected, and I don't think you could take out the mast and just use it so easily. I think you would have to show an exploded parts diagram from your own plane and compare it to what you are trying to do w/ a T-6 assembly. My educated guess is that they are not compatible w/o serious machine shop design and modification work.

_________________
"No government ever voluntarily reduces itself in size. Government programs, once launched, never disappear. Actually, a government bureau is the nearest thing to eternal life we'll ever see on this earth!" R.R.

Welcome to the USSA! One Nanny State Under the Messiah, Indivisible with Tyranny, Higher Taxes, Socialism, Radical Environmentalism and a Loss of Income for all. Boy I'm proud to be a part of the USSA, what can I do to raise taxes, oh boy oh boy!


Top
 Profile  
 
 Post subject:
PostPosted: Mon Apr 20, 2009 11:28 pm 
Offline

Joined: Tue Feb 10, 2009 10:08 pm
Posts: 80
I just looked at a post I have in the garage and there is no part number on this one. The T-6G parts book lists it by the North American number: 88-34035-50 or 60 the Nuckle or mast installed and 88-34004-2 without the mast or nuckle. The part number for the T-6G Nuckle/Extension is: 88-34015-2. It is unique to the steerable tailwheel setup and about 1/2 taller than the earlier nuckle. The tailwheel fork with the short nuckle will be easier to find as most folks want one which works with the steerable tailwheel. I do know that if you want to use a 10" tailwheel, the part number is: AN 7502-20.

Confused yet?

Ken


Top
 Profile  
 
Display posts from previous:  Sort by  
Post new topic Reply to topic  [ 7 posts ] 

All times are UTC - 5 hours


Who is online

Users browsing this forum: No registered users and 84 guests


You cannot post new topics in this forum
You cannot reply to topics in this forum
You cannot edit your posts in this forum
You cannot delete your posts in this forum
You cannot post attachments in this forum

Search for:
Jump to:  
Powered by phpBB® Forum Software © phpBB Group